新聞中心
電容器在使用中的特性
電容器在使用中的特性
高壓電容器穩定性高,自身容量損耗隨溫度頻率而變化。說明電容器本身已經出現故障,不能再使用了。旁路電容器是一種為當地設備提供能量的儲能設備,可以使穩壓器的輸出均勻化,降低負載需求。就像小充電電池一樣,旁路電容器可以充電放電到設備上。大多數電容...
行業知識
3796
作者:
01-12
2022
電容器的用途是什么?
電容器的用途是什么?
電容器是兩個相互靠近的導體,中間夾有一層不導電的絕緣介質,構成電容器。電容器大致用于以下三個目的。一、儲能用途當電源瞬時斷裂或IC驅動速度快速上升導致負載電流增大時,電源線電壓下降,可能導致IC故障。為防止故障,電容器在電源線正常時儲存的電...
行業知識
3875
作者:
01-12
2022
什么情況會引起補償電容器發生過電流?
什么情況會引起補償電容器發生過電流?
若補償電容器長期在過電流條件下運行不僅會使電容出現鼓肚、漏油等一系列運行故障,還會極大程度地縮短電容使用壽命……因此在日常使用時必須極力避免電容器過電流運行!那補償電容器的電流究竟和哪些因素有關?哪些情況下會造成電容器出現過電流呢?快來看今...
行業知識
4330
作者:
01-10
2022
電容器自愈過程及發生機理解析
電容器自愈過程及發生機理解析
金屬化電容器在運行工作中,由于介質缺陷或工藝制造過程中的癡點,導致極板局部產生瞬間大電流飛弧現象。這個瞬間大電流的能量不至于破壞介質的絕緣,只會導致極小范圍的極板金屬層減少,又恢復正常工作狀態的過程稱之為自愈,本文介紹了自愈過程發生的機理。...
行業知識
5082
作者:
01-06
2022
電力電容器的實際使用壽命與選型有關嗎?
電力電容器的實際使用壽命與選型有關嗎?
客戶經常問:無功補償電容器一般能用多久?我們的電容器已經用了3~4年了,需要更換嗎?電容器是否需要更換取決于它目前是否能發揮作用;電容器的實際使用壽命是多少年,受多種因素的影響:一些好的電容器可以使用5~10年,而一些質量差的電容器的最長使...
行業知識
3961
作者:
01-06
2022
低壓補償電容器外殼變形的原因是什么?
低壓補償電容器外殼變形的原因是什么?
低壓補償電容器作為較經濟的無功補償方式之一,越來越受到大多數企業的選擇。但由于電容器受電網波動或外部因素影響較大,故障率較高。在此之前,小編已經詳細解釋了電容器漏油、著火等故障的原因和對策。在今天的文章中,小編將分析為什么電容器外殼會變形?...
行業知識
3849
作者:
01-04
2022
選擇電力電子電容器時必須注意的事情
選擇電力電子電容器時必須注意的事情
電力電子電容器市場良莠不齊,種類繁多。國產品牌、進口品牌、合資品牌;圓柱形、方形盒子;濾波器、防爆...要知道,只有正確選擇電容器和合適的電容器,才能避免故障、容量損耗等一系列問題?,F在問題來了,如何正確選擇電容器?如何選擇防止踩雷?在今天...
行業知識
3962
作者:
01-04
2022
并聯電力電容器使用不當可能導致哪些問題?
并聯電力電容器使用不當可能導致哪些問題?
并聯電力電容器是一種靜態無功補償設備,不僅能提高功率因數,還能有效提高相關設備的利用率。此外,我們都知道并聯電容器的安裝、使用和維護必須遵循一定的原則。如果使用不當會造成什么問題?在今天的文章中,小編總結了幾個典型的嚴重后果。讓我們快速學習...
行業知識
4515
作者:
12-31
2021
使用電力電容器時應注意三個問題
使用電力電容器時應注意三個問題
作為無功補償保護元件,電力電容器的地位不可動搖。一旦電力電容器出現問題,后果不堪設想。以下是使用電力電容器時應注意的幾個主要問題,希望對正在使用電力電容器的企業有所幫助。使用電力電容器時應注意三個問題:1、電容器擊穿電壓:電容器兩極板上的電...
行業知識
4085
作者:
12-31
2021
低壓電力電容器如何適當的電壓?
低壓電力電容器如何適當的電壓?
電容過電壓運行會嚴重影響電容器損耗和壽命次,因此選擇合適的低壓電容器電壓、容量是非常必要的。通常選擇電容器的電壓會比實際稍高一點,這是為保證與過電壓運行的安全性,比如400V低壓系統,我們通常推薦選用額定電壓500V的電容器。低壓電力電容器...
行業知識
4316
作者:
12-31
2021
低壓智能無功補償電容的工作原理
低壓智能無功補償電容的工作原理
低壓智能無功補償電容主要由智能組件、開關電器、傳感器和兩個低壓電力電容器組成。智能無功補償電容采用零切割、現代測控、網絡通信、自動控制等先進技術。改變了傳統無功補償裝置落后的機械接觸器或機電一體化開關作為切割電容器的切割技術,改變了傳統無功...
行業知識
3999
作者:
12-31
2021
對電力電容器諧波治理的研究
對電力電容器諧波治理的研究
因為企業的無功現象比較嚴重,需要安裝電力電容器進行無功補償。但非線性負荷的大量使用將導致企業電網中出現嚴重的諧波,這將嚴重影響電力電容器的正常運行。因此,使用電力電容器進行補償的企業應如何處理電網的諧波?由于電網諧波污染問題日益突出,越來越...
行業知識
3786
作者:
12-31
2021
安裝電力電容器的注意事項
安裝電力電容器的注意事項
1、安裝電容器時,每個電容器的接線最好用單獨的軟線與母線連接,不要用硬母線連接,以免裝配應力損壞電容器套管,損壞密封造成漏油。2、電容器電路中的任何不良接觸都可能導致高頻振蕩電弧,增加和加熱電容器的工作電場強度,并早期損壞電容器。因此,安裝...
行業知識
3806
作者:
12-27
2021
使用后電容會起什么作用?
使用后電容會起什么作用?
如今許多行業將會接觸到各種電力設備的應用,可以說電能的使用頻率很高,也是展現出許多支持和幫助,帶來不少的專業性。而電容的使用,也是許多行業不可缺少的存在,這個實際指的是可以在給定電位差下,完成自由電荷的儲存,那么這個介質的作用是什么?能產生...
行業知識
3869
作者:
12-27
2021
更換電容器時要注意這些參數,你知道嗎?
更換電容器時要注意這些參數,你知道嗎?
在組件中,電容器可以說是一個非常復雜的組件,特別是為了適應不同的電路和工作環境,即使是具有相同容量和額定電壓值的電容器,也有各種類型和材料特性的選擇。如果電容器出現故障,通常的解決方案是找到相同規格的新電容器進行替換。但是如果你找不到相同規...
行業知識
4794
作者:
12-24
2021
鉭電容器和固態電容哪一個好?
鉭電容器和固態電容哪一個好?
在我國電器工業不斷發展的今天,電容器備受關注。久而久之,周圍的人們開始把精力集中在制造電容器上,希望借著電容器的力量,創造美好的人生,為將來的事業發展打好基礎。事實上這主意真的很好,但一定要先掌握相關的知識,這樣才能有資金致富。對于電容器,...
行業知識
4821
作者:
12-24
2021
脈沖電為什么可以通過電容
脈沖電為什么可以通過電容
脈沖電流可以用傅立葉分析分解成多次正弦波的疊加結果,也就是交流電。交流電是可以通過電容電感的,也就是阻抗是電阻和感抗容抗的組合。頻率越高,容抗越小,所以經過電容以后會濾掉部分頻率比較低的諧波,通過頻率比較高的諧波。反之如果是電感,會濾掉高頻...
行業知識
4258
作者:
12-22
2021
高頻大電流脈沖電容器原理是什么?
高頻大電流脈沖電容器原理是什么?
隨著電子信息技術的快速發展,數字電子產品的升級速度越來越快。以平板電視(LCD和PDP)、筆記本電腦、數碼相機等產品為主的消費電子產品的生產和銷售持續增長,推動了電容器行業的增長。使充電電容器失去電荷(釋放電荷和電能)的過程稱為放電。例如,...
行業知識
3905
作者:
12-22
2021
低壓無功補償裝置的幾種補償方法
低壓無功補償裝置的幾種補償方法
原則上,電容器相當于產生容性無功電流的發電機。無功補償的原理是將容性功率負荷裝置與感性功率負荷并聯在同一電容器上,能量在兩個負荷之間相互轉換。這樣,電網中的變壓器和輸電線路的負荷就會降低,從而增加輸出的有功能力。當輸出一定的有功功率時,電源...
行業知識
5152
作者:
12-20
2021
無功補償裝置|電容補償柜,如何判斷過度補償
無功補償裝置|電容補償柜,如何判斷過度補償
無功功率補償,簡稱無功補償,在電力供電系統中起著提高電網功率因數、減少供電變壓器和輸送線路損耗、提高供電效率、改善供電環境的作用。因此,無功功率補償裝置在電力供電系統中處于非常重要的地位。合理選擇補償裝置可以最大限度地減少電網損耗,提高電網...
行業知識
4690
作者:
12-20
2021
電容分別在直流、交流電路中,是如何充電放電的呢?
電容分別在直流、交流電路中,是如何充電放電的呢?
電容就是一個水塘。一個與小河連通的水塘,小河漲水,就往水塘灌水,小河跌水,水塘往小河放水。不管是直流還是交流,電容都是這么工作的,區別在于,交流電方向一直改變。在直流下,由于水塘的灌水和防水都需要時間,這個時間滯后于小河的變化速度,此時電容...
行業知識
4396
作者:
12-17
2021
濾波是什么?直流電源中濾波電路功能
濾波是什么?直流電源中濾波電路功能
濾波是對信號中某些頻帶頻率的濾波,是抑制和防止干擾的一種方法,其分為經典過濾和現代過濾。為什么在直流電源中進行濾波?濾波起什么作用?現在,我將為您簡要介紹。  經典濾波:  表示技術信號是不同頻率的正弦;  現代濾波:  使用模擬電子電路來...
行業知識
3557
作者:
12-17
2021
如何區分電容器的正負極?
如何區分電容器的正負極?
電容器可以根據以下方法區分正負極。當我不知道電容器的正負極時,我可以用數字萬用表來準確測量它們。電容器兩極之間的媒體不是絕對的導體和絕緣體,它的電阻也不是無限,而是有限公司的標值,通常在1500兆歐元左右。電容器兩極之間的電阻稱為接地電阻或...
行業知識
4585
作者:
12-15
2021
環境對電容器的性能有哪些影響
環境對電容器的性能有哪些影響
所有電容器的性能、儲存壽命和使用壽命在很大程度上取決于其環境條件。不僅要考慮單一環境因素對電容器的關系,還要考慮這些環境因素的不同組合效應。影響電容器性能和使用壽命的主要環境因素環境溫度、濕度、振動、沖擊、加速度和大氣壓力。對這些單一環境因...
行業知識
5275
作者:
12-15
2021
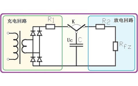
為什么電容器可以給電器供電,它不是只能瞬間輸出電流嗎?
為什么電容器可以給電器供電,它不是只能瞬間輸出電流嗎?
我們來看下圖:圖中左側是電容C的充電回路,圖中右側是電容C的放電回路。充電和放電的轉換依靠開關K來實現。圖中的R1是充電線路電阻,R2是放電的線路電阻,Rfz是負載電阻。由于題主未談及充電回路,因此我們把它忽略掉,僅僅討論放電回路。我們來設...
行業知識
4065
作者:
12-15
2021
濾波電容為什么不能太大
濾波電容為什么不能太大
為什么濾波電容不能太大?眾所周知,很多人通常認為濾波電容的輸出越大越好。事實上,我想告訴你的是,當濾波電容的ESR值真正影響直流電壓輸出的重要參數時,這種觀點并不全面(即濾波電容的等效串聯電阻或阻抗)。每個電容器都有一個電阻值,它與電容器的...
行業知識
5864
作者:
12-13
2021
高低壓無功補償裝置的原理
高低壓無功補償裝置的原理
在電網系統中,電能質量問題的存在會造成一定的經濟損失,需要通過提高電能質量來解決供電質量。高低壓無功補償裝置是一種專門用于提高設備運行效率的配電設備。通過降低供電變壓器和輸送線路的損耗,可以提高供電效率和供電環境。一、工作原理高低壓無功補償...
行業知識
4647
作者:
12-08
2021
TSVG混合動態無功補償裝置的工作原理和技術優勢
TSVG混合動態無功補償裝置的工作原理和技術優勢
事實上,低壓混合動態無功功率補償裝置是ASVG無功功率發生電源與TSC系列可控硅無功功率補償器相結合,利用無源部分(TSC)即電容器組粗調,利用有源補償部分(ASVG)來彌補電容器分組切割的級差,從而實現整套裝置大容量連續補償無功功率,既能...
行業知識
4264
作者:
12-08
2021
哪些因素影響電力電容器的容量?
哪些因素影響電力電容器的容量?
電力電容器主要分布在輸電線之間,輸電線與地球之間存在電容;變壓器線圈之間,線圈層之間;MOSFET.三極管,二極管和其他電極之間。影響電力電容器容量的因素:1、結構尺寸:板面積與板間距。2、介質材料的特性及其隨環境和溫度條件的變化:介質材料...
行業知識
5069
作者:
12-06
2021
配電室安裝無功補償電力電容器的要求是什么?
配電室安裝無功補償電力電容器的要求是什么?
當相關企業選擇使用電力電容器進行無功補償時,除了考慮電容器的質量和選擇外,其使用環境和安裝環境是否符合相關標準也至關重要。今天的文章主要介紹了安裝無功補償電力電容器時配電室的相關要求。希望大家多了解一下,方便對比改進。配電室在安裝電容器時必...
行業知識
4911
作者:
12-06
2021
選擇電源濾波器需要注意哪些問題?
選擇電源濾波器需要注意哪些問題?
電源濾波器主要安裝在電源輸入主電路中,位于設備和電網之間。因此,一方面可以防止設備的電磁干擾通過電源線傳輸到電網,超過規范值;另一方面,加強設備抵抗電網傳輸的電磁干擾對設備的干擾,使設備運行更加穩定,滿足抗干擾的規范要求。在選擇電源濾波器時...
行業知識
3739
作者:
12-02
2021
電源濾波器的幾種端接方式
電源濾波器的幾種端接方式
為了與相關設備連接,EMI電源濾波器設有輸入和輸出端子。由于相關設備需要不同的情況,有幾種可供選擇的端子,即引線、插針、焊片、螺栓、柵欄、貼片、銅排和插座。其適用場合一般為:引線:用戶使用時,可以直接使用濾波器提供的導線與相關設備連接,方便...
行業知識
5339
作者:
12-02
2021
高壓電容器有哪些常見故障?
高壓電容器有哪些常見故障?
耐高壓:高溫看到這四個字,我們首先想到的是高壓電容,這也是低壓電容無法比擬的優勢。高壓電容器的缺點是故障不及時修復后容易造成傷害事件。因此,我們應該定期檢查高壓電容,以避免危害。高壓電容器在使用過程中經常出現哪些故障?電容器溫度過高:電容器...
行業知識
4308
作者:
11-29
2021
電容器的串聯補償裝置怎樣接線?
電容器的串聯補償裝置怎樣接線?
電力電容器除用于并聯補償外,還可用于串聯補償。通常,電容器的串聯補償裝置既可裝在線路末端,也可裝在線路首端或線路中間。在35千伏電網中,多設在末端變電所中。下圖示出電容器的串聯補償裝置接線圖 。當電容器投入運行時,隔離開關G1、G4斷開,隔...
行業知識
4572
作者:
11-29
2021
電容器充放電的原理是什么?
電容器充放電的原理是什么?
1、充電:兩個平行靠近的金屬極板(電容器)。當兩個極板分別連接到電池的正負極時,電源開始給電容器充電。極板上的電荷越來越多,極板電壓也在上升,直到極板電壓等于電池電壓。如果用電壓表測量極板兩端的電壓,你會發現電壓表的指示值一直在上升。2、放...
行業知識
4692
作者:
11-25
2021
電容器在生活中的應用
電容器在生活中的應用
電容器廣泛應用于日常生活中,因為它是一種小介質,所以可以在許多地方使用。自工業革命以來,世界各地都開始從蒸汽時代向電力時代過渡,因此電容器的誕生對時代具有重要意義。電容器能儲存的電越多,能量就越大。例如,現在手機越來越薄,最重要的原因是零件...
行業知識
7816
作者:
11-25
2021
脈沖電容器應用于哪些領域?
脈沖電容器應用于哪些領域?
脈沖電容器是最常見的脈沖儲能單元,是脈沖功率技術的重要組成部分。脈沖功率系統由初級能源、脈沖儲能單元、脈沖形成部分、脈沖傳輸部分和負載五部分組成。由此可見,脈沖儲能單元是功率系統的重要組成部分。脈沖儲能單元的脈沖電容器是一種用于提高功率脈沖...
行業知識
4447
作者:
11-22
2021
脈沖電容器和普通電容器有什么區別?
脈沖電容器和普通電容器有什么區別?
什么是電容器?想必大家都知道也見過。電容器可以儲存電能,給我們的生活帶來極大的便利。電容器有很多種。我們來看看什么是脈沖電容器,脈沖電容器和普通電容器有什么區別。兩個相互靠近的導體,中間夾一層不導電的絕緣介質,形成電容器。當電容器的兩個極板...
行業知識
4622
作者:
11-22
2021
智能電容器無功補償缺陷
智能電容器無功補償缺陷
與傳統的無功補償裝置相比,智能電容器具有接線簡單、維護方便、智能聯網等優點。越來越多的企業開始使用智能電容器進行無功補償。但智能電容器的無功補償仍存在以下缺點。1、發熱嚴重電容器、濾波電抗器和晶閘管切割開關在運行過程中會散發出巨大的熱量。而...
行業知識
4018
作者:
11-18
2021
為何建議您選擇干式電力電容器?
為何建議您選擇干式電力電容器?
在市場上,一些大型電容器廠家不再生產油浸式電容器,而是以軟樹脂、黑膠、硅油等為介質的干式電容器。而且干式電力電容器的價格一般比油浸式電容器貴很多。可見市場和客戶都選擇了干式電容器。干式無油電容器已逐漸成為市場的主流,與油浸式電容器相比有什么...
行業知識
4420
作者:
11-18
2021
電力系統電容器放電引發事故的原因及切實可行的解決辦法
電力系統電容器放電引發事故的原因及切實可行的解決辦法
電力系統曾經發生多起電容器放電造成的人身傷亡事故,本文就這些事故電容器放電的原因給大家普及一下,并制定出一種切實可行的解決辦法。電容器放電的原因分析1. 電容器組與電網斷開后,由于極板上仍然存在電荷,兩端存在一定的殘余電壓。2. 由于電容器...
行業知識
3949
作者:
11-16
2021
超級電容到底為啥超級?
超級電容到底為啥超級?
電動車車主一直深受續航里程的困擾,每次節假日都會有抱怨聲響起。先看續航里程憂慮的根源所在:傳統汽車用的汽油能量密度均值是13000 Wh/kg?,F在主流鋰電池的能量密度在200-300Wh/kg,即使按最高300算,也跟汽油差得不是一星半點...
行業知識
3729
作者:
11-16
2021
電力電容器與SVG在無功補償裝置的區別
電力電容器與SVG在無功補償裝置的區別
感性負載在企業中大量使用時,會產生嚴重的無功問題,導致企業存在功率因數低、損耗大等問題。電力電容器和SVG是一種常見的無功補償裝置,兩者的區別在哪里?1、補償原則不同電能是與產生有電容性無功電流的電動機相對應的,它能在感性負荷中提供所需的無...
行業知識
5034
作者:
11-08
2021
電力電容器運行故障的四個主要原因
電力電容器運行故障的四個主要原因
為了提高功率因數,提高電能質量,企業通常使用電力電容器進行無功補償。但在進行無功補償時,電容器會受到各種因素的影響而出現故障。那么電力電容器運行時故障的因素有哪些呢?1、電容器質量電容器質量差是電容器故障的主要原因。比如生產工藝差導致電容器...
行業知識
4032
作者:
11-08
2021
高壓無功補償柜的類型和特點是什么?
高壓無功補償柜的類型和特點是什么?
高壓無功補償柜的特點是可靠性高。由于高壓側不需要多個晶閘管串聯,避免了晶閘管串聯均壓失敗造成的事故,使高壓無功補償柜的可靠性達到了低壓無功補償柜的水平。同步調相機實際上是一臺空載同步電機,過勵磁時可發出無功功率,不勵磁時可吸收無功功率,調整...
行業知識
3822
作者:
11-05
2021
無源濾波補償裝置的基本原理
無源濾波補償裝置的基本原理
無源濾波補償裝置:諧波治理是按負載實際情況,考慮經濟實惠,采取靈活的配置方法來進行諧波治理。無源濾波補償裝置基本原理:由濾波電容器、濾波電抗器和電阻器配合組成的濾波器,與諧波源并聯,對某次特定頻率的諧波產生吸收和濾除作用;還可兼顧無功補償的...
行業知識
4315
作者:
11-05
2021
電力濾波補償裝置的應用及特點
電力濾波補償裝置的應用及特點
濾波補償裝置主要適用于含諧波、負荷變化頻繁、波動大的用戶,需要治理諧波,過濾高諧波,改善用電環境,補償無功功率和功率因素。例如:焊管廠、汽車、摩托車廠、鑄造、鍛造廠、軋鋼廠、鐵柜、箱、殼廠、礦山、碼頭、鉆井平臺、金屬冶煉廠、塑料制品廠、金屬...
行業知識
4235
作者:
11-05
2021
交流接觸器投切開關無功補償存在哪些不足?
交流接觸器投切開關無功補償存在哪些不足?
在傳統的無功補償計劃中,選擇交流接觸器作為切割電源開關的電容器和變壓器已廣泛應用于電網中。可以說,這種補償技術是靜態數據,因為它不能立即響應無功輸出功率的波動,適用于負載變化緩慢的情況。交流接觸器作為切割電源開關,由于電容器具有涌流工作能力...
行業知識
4025
作者:
11-03
2021
電力電容器的生產需要幾道工序?
電力電容器的生產需要幾道工序?
作為無功補償的重要組成部分,電力電容器產品的質量可以直接影響系統電壓的質量。除了使用的材料,電容器的質量也很重要。電力電容器是如何生產的?在今天的文章中,小編將詳細介紹電力電容器的生產步驟和各自的功能。希望大家能對電容器有更好的了解。生產電...
行業知識
4519
作者:
11-01
2021
電網中無功補償電容器的作用是什么?
電網中無功補償電容器的作用是什么?
低壓配電網中有大量的電氣設備,也有許多感性無功負荷需要補償。在此前提下,低壓并聯電容器用于無功補償。并聯電容器作為重要的無功補償設備之一,在日常使用中經常與處理諧波的電抗器配合使用。在今天的文章中,小編將主要為您展示電容器對電網和我們的用戶...
行業知識
4032
作者:
11-01
2021
鋰電池和超級電容器的區別及優缺點
鋰電池和超級電容器的區別及優缺點
生活中能接觸到超級電容器的地方越來越多,那么超級電容器和以前常用的鋰電池有什么區別呢?鋰電池和超級電容器的優缺點是什么?鋰電池和超級電容器的優缺點如下:首先,鋰電池的能量密度較高,但化學反應壽命較短;二是超級電容功率密度較高,電容物理反應壽...
行業知識
4979
作者:
11-01
2021
小型鑄造工廠的無功補償情況分析
小型鑄造工廠的無功補償情況分析
小的鑄造廠一般采用0.5~2噸的中頻爐化鋼水,變壓器基本是400KVA~1600KVA,800KVA帯載1噸的爐,如果只是煉鋼鑄件,功率因數應該比較高,精密鑄造的話,因為需要化驗鋼水的成分及材質是否達標,鋼水等待的時間較長,此時功率因數較低...
行業知識
3786
作者:
10-29
2021
智能濾波補償裝置-為國家節約電能,為企業節省電費
智能濾波補償裝置-為國家節約電能,為企業節省電費
智能濾波補償裝置-為國家節約電能,為企業節省電費1度電,我們可以做什么?1度電,可以讓一臺手機充滿100多次;1度電,可以讓25瓦的臺燈點亮40小時;1度電,可以讓普通家用電扇連續運行15小時;家用冰箱連續運行36小時;電視機運行10小時;...
行業知識
3899
作者:
10-29
2021
紡織廠電能質量問題分析及處理方案
紡織廠電能質量問題分析及處理方案
提高供電系統電能質量的建議遵循:1、系統基礎數據分析;2、分析干擾負荷的發射機理和特性;3、電網電能質量干擾傳輸機理分析;4、制定電能質量控制目標;5、電能質量控制裝置選型設計及接入點位置設計;6、電能質量治理效益評價;負荷情況:紡綻電機(...
行業知識
4076
作者:
10-28
2021
廠內低壓配電系統中調諧濾波器和濾波補償器的設計差異
廠內低壓配電系統中調諧濾波器和濾波補償器的設計差異
調諧濾波器與濾波補償,兩者設計思路實際上是相同的,只是參數根據設備和現場條件而定,功能偏于那個方面罷了。在工業企業中,諧波大、功率因數高的設備很少,只有0.9以上的負荷功率因數熔化而諧波又大于20%的諧波,這種情況下,由于無功相對較小。其它...
行業知識
3859
作者:
10-28
2021
濾波補償和無功補償有什么區別
濾波補償和無功補償有什么區別
一,綜述通過切割400V普通電容器實現普通無功補償裝置的無功功率補償。普通電容器的電壓等級為400V,過壓能力為1.1倍,過流能力為1.3倍。諧波會疊加在基波上,沖擊電容器,使電容器處于過壓過流狀態,容易造成電容器損壞或諧振事故。電容器故障...
行業知識
4347
作者:
10-28
2021
高壓濾波補償裝置的應用及技術特點
高壓濾波補償裝置的應用及技術特點
高壓濾波補償裝置主要用于變電站110KV母線的無功補償和濾波。根據系統和諧有趣波源的特點,采用專用程序優化設計濾波器,使無功補償和濾波效果最佳。該裝置安全可靠,配置合理,投資少。應用領域:它可廣泛應用于電力、冶金、化工、煤礦、輕工、建材等行...
行業知識
4733
作者:
10-28
2021
鋁電解電容器在新能源領域的應用是什么?
鋁電解電容器在新能源領域的應用是什么?
鋁電解電容器在新能源領域的應用是什么眾所周知,太陽能作為一種新能源,可以為我們的生活提供清潔無污染的能源。相信好奇的用戶會問新能源和鋁電解電容器之間有什么聯系嗎?由于光伏發電系統產生的電流是直流電,但民用電主要是交流供電,太陽能發電最終將并...
行業知識
4388
作者:
10-27
2021
治理諧波問題的哪些濾波補償裝置比較實用?
治理諧波問題的哪些濾波補償裝置比較實用?
治理諧波問題的哪些濾波補償裝置比較實用如何高效、快速、高效地處理好電網中的諧波電流濾除問題,已經成為電力電子技術領域急需解決的一個難題。為了解決電力網絡系統軟件的困惑,小編在這里為各位朋友詳細介紹了一種更高效、實用的過濾補償裝置——主動式電...
行業知識
4641
作者:
10-25
2021
為什么選擇使用濾波補償裝置?
為什么選擇使用濾波補償裝置?
為什么選擇使用濾波補償裝置由于現代半導體器件應用愈來愈普遍,功率也更大,但它的負面影響就是產生很大的非正弦電流。使電網的諧波電壓升高,畸變率增大,電網供電質量變壞。如果供電線路上有較大的諧波電壓,尤其5次以上,這些諧波將被補償裝置放大。電容...
行業知識
3661
作者:
10-25
2021
12345